最新资讯
 
        全国统一服务热线:
13512718711售前13512718711售后
客服QQ:1422773282
手机:13538805895(李生)
手机:13512718711(符工)
E-mail:gzpengdakeji@foxmail.com(李)
服务范围:天河区、越秀区、海珠区、白云区、荔湾区、黄埔区、番禺区、南沙区、花都区
指纹门禁一体机安装教程
 文章出处:篷达科技 人气:发表时间:2020-04-01 00:27 
        
一、安装设备

	  1)将安装模板贴于将要安装的墙面上,按照模板上的标⽰钻孔(包括螺丝孔和引线的出孔)
	  2)用螺丝刀将底部螺丝取下
	  3)将铁板从设备上取下

	  4)用螺丝将铁板固定在墙上
	  5)用螺丝将设备固定在铁板上
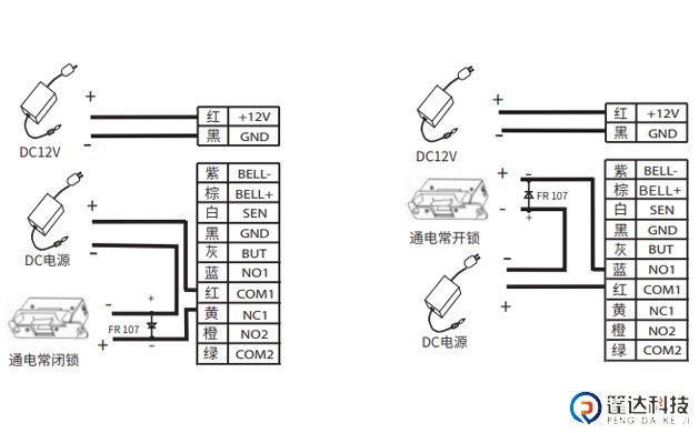
	  二、门禁系统示意图

	  门禁系统功能简介:
	  ①当人员在设备上验证⾝份通过后,设备会输出锁控信号,将锁开启。
	  ②门磁将会自动检测⻔的开关状态,当⻔被意外打开或⻔未关好时,将触发报警信号(开关量信号)。
	  ③当门禁设备被非法拆卸,设备将会输出报警信号。
	  ④可外接读头。
	  ⑤可外接出入开关,方便在室内将⻔打开。
	  ⑥可外接门铃。
	  ⑦可通过RS485、TCP/IP与PC机联网,通过门禁管理软件轻松管理多台终端设备。
	  三、连接门锁
	  (1)本设备可⽀持常开型和常闭型锁,只要分别连接在不同的端子上即可。对通电时打开,断电时关闭的锁,应该使用NO和COM端子,对通电时关闭、断电时打开的锁,应该使用NC和COM端子。
	  (2)为了防止电锁在开关瞬间产生的自感电动势对门禁系统产生影响,在门禁系统现场应⽤接线时,需要在电锁上并联一个型号为FR107的二极管(请使用随机配备的二极管,请勿将其正负极接反把电锁开关瞬间产生的自感电动势释放。
	  1.设备与锁共用电源

	  设备与锁共用电源情况:ULOCK=12V且I-ILOCK>1A……①,且锁与设备之间距离≤10米时。
	  2.设备与锁不共用电源

	  设备与锁不共用电源情况:
	  1)ULOCK=12V且I-ILOCK≤1A;2)ULOCK≠12V;
	  3)锁与设备之间距离>10米时;
	  4)建议用户最好选择“设备与锁不共用电源”。
	  ①:I定义为设备电源输出的电流,ULOCK定义为锁的工作电压,ILOCK定义为锁的工作电流。
	  四、连接其他装置

	  本设备只能连接输出不超过DC12V的报警器。
	  五、连接电源
	  本设备的工作电源为DC12V,工作电流为500mA,待机电流为50mA,将电源的正负极直接连接在+12V和GND之间(请勿将正负极接反)。

	  六、Wiegand输出
	  本设备具有标准的Wiegand26输出,可以连接到市场上⼤多数⼚商的门禁控制器,此时本设备只作为读头使用。
	  七、Wiegand输入
	  本设备具有Wiegand信号输工功能,能外接读头,读头与本设备可分别安装在室内外,共同控制锁,控制进出。

	  1.设备到门禁控制器或读卡器的距离建议不超过90米(如需传输更长距离或使用环境中有⼲扰时,请使用Wiegand信号延⻓器)。
	  2.不论设备是否与门禁控制器或读卡器共用电源,都必须确保设备与门禁控制器或读卡器共地,以保证Wiegand信号稳定。
	  八、其他功能
	  1.复位功能:
	  由于误操作或其它意外故障导致设备方法正常⼯作时,可使用此复位按钮将设备重新启动。操作:使用直径小于2mm的顶部尖锐的工具顶入此孔一下。
	  2.防拆开关:
	  设备在安装时,需要将防拆磁铁放置在铁板与设备之间,如果设备被意外拆除,导致设备与磁铁分,设备就会产生报警信号。

	  九、通讯设置
	  后台PC软件可通过两种通讯⽅式(RS485、TCP/IP)与设备通讯,进行数据交换,通过RS485、TCP/IP还可以进行远程管理。
	  1.RS485通讯方式:
	  使用RS485组网时,请使用专用的485线和有源的485转换器,采⽤总线型布线,见下图。
	  端子定义见下表:


	  2.TCP/IP通讯方式:
	  TCP/IP通讯⽅式,可以将设备与电脑直联,也可以将设备与电脑连接到同一网络.
	  (1)设备与电脑通过交叉⽹线直接连接;
	  (2)设备与电脑通过交换机/集线器连接至网络。

	  十、注意事项
	  1)请先连接好其他连线后再连接电源线,如果发现机器不能正常运行,请先断掉电源总开关后再进行必要检查。请注意:⼀切带电的接线将会意外损坏机器,我们将不对该类操作导致的损害进行正常的保修。
	  2)推荐使用DC12V/3A的电源给设备供电。详情可咨询相关技术⼈员。
	  3)请首先阅读接线端子说明并严格按照规则进行接线,因错误操作导致的设备损坏,均不属于保修范围。
	  4)所有接线端子的裸露部分不要超过5mm,以防止过长的裸线意外接触,导致机器的损坏。
	  5)在静电比较严重的地⽅或者冬季,请先接地线,再连接其它线,以防止过大的瞬间静电损坏机器。
	  6)若电源与机器之间距离比较长,请勿使用网线或者其它类型的线代替,选择电源线时,应要考虑传输距离过大可能造成的电压衰减。
	  7)如果485通讯距离超过100米,需要将最后一台指纹仪上的拨码开关第六位设置为“ON”,相当于在485+和485-之间并联一个120欧的终端匹配电阻。
        最新资讯
- 2023-06-04 动态人脸识别是目前市场最受欢迎的门禁系统
- 2022-05-11 人脸识别门禁系统在智慧小区中的应用
- 2021-10-13 门禁系统
- 2021-09-18 新款中控F7+云门禁智能远程管理
- 2021-05-11 2021广州动态智能人脸识别摄像头门禁监控门禁安
- 2021-03-18 二维码门禁安全吗?
- 2020-11-13 建筑工地实名制人脸识别门禁道闸
- 2020-09-05 如何防止门禁系统"失禁"?
- 2020-09-05 刷人脸识别门禁系统的作用
- 2020-09-05 门禁系统管理方法

