门禁维修技术
您只需一个电话我们将提供最合适的产品,让您花最少的钱,达到最好的效果
- 全国统一服务热线
- 13512718711
最新资讯
 
        全国统一服务热线:
13512718711售前13512718711售后
客服QQ:1422773282
手机:13538805895(李生)
手机:13512718711(符工)
E-mail:gzpengdakeji@foxmail.com(李)
服务范围:天河区、越秀区、海珠区、白云区、荔湾区、黄埔区、番禺区、南沙区、花都区
指纹门禁机如何连接电脑与联网通讯方式
 文章出处:篷达科技 人气:发表时间:2020-03-27 10:27 
        
	指纹门禁机如何连接电脑与联网通讯方式
1、指纹门禁联网方式有以下几种
	通讯连接示意图
	 
	1) 指纹门禁机与电脑通过 TCP/IP 或 RS232 直连:

	2) 指纹门禁机与电脑通过 RS485 组网:

	3) 指纹门禁机与电脑通过 TCP/IP 组网:

	2、指纹门禁联网连接以太网接线
	1)指纹门禁机与电脑通过交叉连接线网线直接连接。

	2)指纹门禁机与电脑通过交换机/集线器(HUB)连接局域网/广域网。

	3)RJ45  接头的以太网线接法
	 
	a) RJ45  接头的线序

	b) 交叉连接网线 Ethernet 10/100Base—T Crossover Cable 主要用于级联集线器和交换机,或者直接连接两个以太网端点(不通过集线器),支持 10BaseT 和 100BaseTX。 
	 
	               接头  1          Pin         Pin         接头 2
	 
	               TX+              1  <——> 3           RX+
	               TX                 2  <——> 6           RX 
	               RX+              3  <——> 1           TX+
	               RX                6  <——> 2           TX
	c) 直通连接网线 Ethernet 10/100BaseT Straight Thru Cable 支持 10BaseT 和 100BaseTX,用于连接网卡和集线器(或者网络出口 network outlet),有时也称作“鞭子(whips)” 
	               线序             Pin              颜色              Pin              线序
	               TX+             1          <—  白橙 —>        1                 TX+
	               TX               2           <—  橙     —>        2                TX 
	               RX+            3           <—  白绿 —>        3                 RX+
	                                   4           <—  蓝     —>        4 
	                                   5           <—  白蓝 —>         5 
	               RX              6            <—  绿     —>        6                  RX
	                                   7           <—  白棕 —>         7 
	                                   8           <—  棕     —>         8
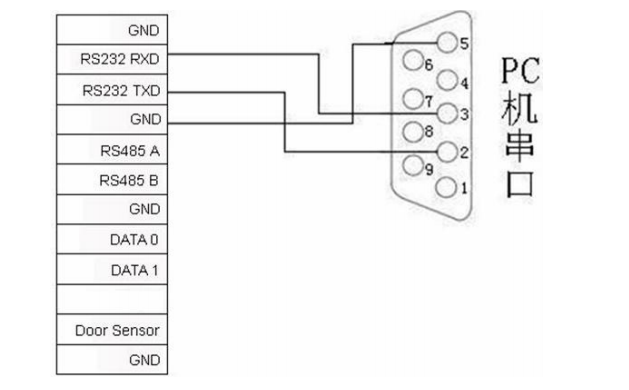
	RS232 连接线
	PC 与指纹机连接定义
| PC 机串口 | 指纹机串口 | 
| RXD | RXD | 
| TXD TXD | RXD | 
| GND | GND | 

	RS-232 接口连线图
	RS485 连接线
	 
	采用 RS485 进行组网时须采用总线网络结构布线。RS485 通信线由一组双绞线组成,它是通过两根通信线之间的电压差的方式来传递信号,信号在传递过程中两根信号线之间会产生差模干扰。消
	 
	除差模干扰的方法是在电路中增加一个偏值电阻(终端匹配电阻)。 一般情况下不需要增加终端电阻,只有在 RS485 通讯距离超过 100 米的情况下,在 RS485 总线的起点终端设备上和末尾终端设备加上终端匹配电阻。
	端子接连定义 
	 
| 端子数 | 功能 | 
| 485A | RS485 通讯+ | 
| 485B | RS485 通讯 | 

最新资讯
- 2023-06-04 动态人脸识别是目前市场最受欢迎的门禁系统
- 2022-05-11 人脸识别门禁系统在智慧小区中的应用
- 2021-10-13 门禁系统
- 2021-09-18 新款中控F7+云门禁智能远程管理
- 2021-05-11 2021广州动态智能人脸识别摄像头门禁监控门禁安
- 2021-03-18 二维码门禁安全吗?
- 2020-11-13 建筑工地实名制人脸识别门禁道闸
- 2020-09-05 如何防止门禁系统"失禁"?
- 2020-09-05 刷人脸识别门禁系统的作用
- 2020-09-05 门禁系统管理方法

